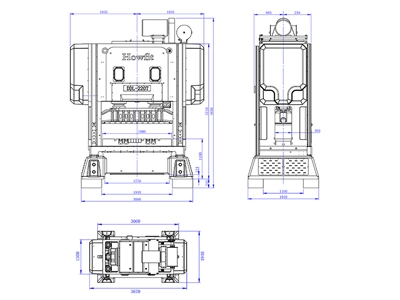
Straight Side Crank Press, 125-360 ton
DDL Series Mechanical Presses
The straight side crank press provides a pressing capacity of 125 to 360 tons and stroke speeds from 100 to 500 strokes per minute, making it suitable for Rotor and stator lamination stamping, home appliance hardware forming, and perforated metal sheet stamping. It can be easily integrated with feeders, decoilers, straighteners, and scrap choppers to form a complete automated metal stamping line.
- The frame is made of high-strength cast iron, heat-treated under precise temperature control and naturally aged over time to relieve internal stress and ensure stable performance.
- The frame sections are fastened with base bolts and hydraulically preloaded, significantly increasing overall rigidity and minimizing deformation under heavy load.
- Optimized counterbalancing reduces vibration and noise, ensuring smooth operation and extended component life.
- Manufactured from NiCrMo alloy steel and processed through heat treatment, grinding, and fine machining for exceptional strength and accuracy.
- The slide guide bushings are paired with gap-free axial bearings and an extended guide sleeve, providing superior motion precision and improving die life.
- Forced lubrication and cooling system minimizes thermal strain on the frame, ensuring consistent stamping quality and extending machine lifespan.
- A microcomputer control system allows visualized operation management, displaying production quantity and machine status at a glance. (Future upgrades will include a centralized data monitoring system for real-time tracking of all press operations, quality, and output metrics on a single screen.)
Rotor and stator lamination stamping
Rotor and stator lamination stamping
Rotor and stator lamination stamping
Rotor and stator lamination stamping
Metal hardware stamping
Worktable and slide block
Solenoid valve
Control buttons
Feeding inlet
Pressure gauges (four sets)
Technical Specifications
| Press capacity (kN) | 1250 |
| Stroke (mm) | 30 |
| Stroke speed (spm) | 150-500 |
| Shut height (mm) | 360-410 |
| Worktable size (bolster) (mm) | 1400×850 |
| Slide area (mm) | 1400×600 |
| Slide adjustment (mm) | 50 |
| Scrap hole size (mm) | 1100×200 |
| Motor (kW) | 37×4P |
| Machine weight (ton) | 27 |
Technical Specifications
| Press capacity (kN) | 2200 |
| Stroke (mm) | 30 |
| Stroke speed (spm) | 150-500 |
| Shut height (mm) | 370-420 |
| Worktable size (bolster) (mm) | 1900×950×250 |
| Slide area (mm) | 1900×700 |
| Slide adjustment (mm) | 50 |
| Scrap hole size (mm) | 1400×250 |
| Motor (kW) | 45 |
| Machine weight (ton) | 40 |
Technical Specifications
| Press capacity (kN) | 3000 |
| Stroke (mm) | 30 |
| Stroke speed (spm) | 100-450 |
| Shut height (mm) | 400-450 |
| Worktable size (bolster) (mm) | 2300×1000 |
| Slide area (mm) | 2300×900 |
| Slide adjustment (mm) | 50 |
| Scrap hole size (mm) | 1900×300 |
| Motor (kW) | 55×4P |
| Machine weight (ton) | 65 |
Technical Specifications
| Press capacity (kN) | 3600 |
| Stroke (mm) | 30 |
| Stroke speed (spm) | 100-400 |
| Shut height (mm) | 400-450 |
| Worktable size (bolster) (mm) | 2400×1000 |
| Slide area (mm) | 2300×900 |
| Slide adjustment (mm) | 50 |
| Scrap hole size (mm) | 1900×300 |
| Motor (kW) | 75×4P |
| Machine weight (ton) | 66 |
Delivers the coil into the press in precise increments, ensuring consistent alignment and smooth operation during stamping

Unwinds the coil and maintains stable tension for continuous feeding

Flattens the metal strip through a set of upper and lower rollers, ensuring uniform thickness and surface quality

Cuts and removes scrap generated during stamping, keeping the line clean and efficient
A supplier for a well-known Chinese electric vehicle manufacturer uses the DDL-125T press for battery grid stamping. With a high yield rate and stable performance, the client has purchased three units since 2020, each continuing to deliver consistent production efficiency and long-term profitability.
A customer from Bangladesh collaborated with HOWFIT to set up a complete metal stamping line featuring the DDL-220T press. We assisted in die testing and supporting process setup before final delivery in 2022. The system has performed reliably ever since, earning strong client satisfaction.
A manufacturer based in Foshan uses the DDL-125T press for perforated panel stamping in furniture and home appliance components. The straight side crank press has been running steadily since its installation in 2023, consistently producing high-quality products.
An Indian industrial group specializing in metal stamping first purchased our DDL-300T mechanical press in 2013. Since then, they have gradually expanded their production capacity with around 15 additional units. With a dedicated after-sales service center in India, HOWFIT provides ongoing support, which has strengthened customer trust and long-term cooperation.
A Thai client received their DDL-360T press in 2023 for home appliance Rotor and stator lamination stamping. The press has since demonstrated excellent reliability and productivity, meeting their precision manufacturing requirements.












