Automotive Metal Stamping Press
Metal stamping machinery for automotive components manufacturing
High-speed precision forming for automotive-grade metal components such as vehicle terminals and wire harness terminals. The Industrial Mechanical Press maintains exceptional stability even at high stroke speeds, significantly improving the consistency of terminal bending angles, thickness, and dimensions. This meets the stringent reliability and consistency standards demanded by the automotive electronics industry.
Samples of Stamped Parts
Crank Shaft Straight Side Press (85 ton), DDH-85T
Technical Specifications
| Press capacity (kN) | 850 |
| Stroke (mm) | 30 |
| Stroke speed (spm) | 150-500 |
| Shut height (mm) | 330-380 |
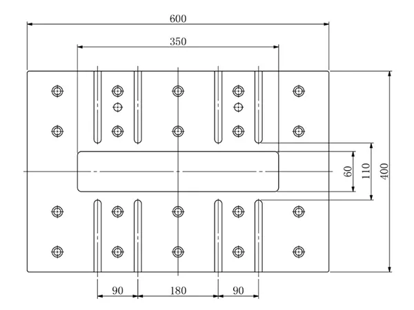
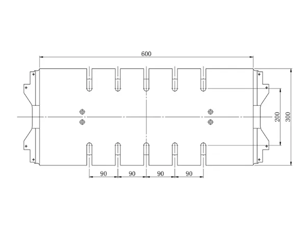
| Worktable size (bolster) (mm) | 1100×750 |
| Slide area (mm) | 1100×500 |
| Slide adjustment (mm) | 50 |
| Scrap hole size (mm) | 800×150 |
| Motor (kW) | 22×4P |
| Machine weight (ton) | 18 |
Crank Shaft Straight Side Press (65 ton), DDH-65T
Technical Specifications
| Press capacity (ton) | 65 |
| Rated capacity point (mm) | 2.0 |
| Stroke (mm) | 30 |
| Stroke speed | 150-700 strokes per minute |
| Worktable area (bolster) (mm) | 950×650 |
| Scrap hole size (mm) | 700×125 |
| Slide area (mm) | 950×420 |
| Die height adjustment range (mm) | 300-350 |
| Die height adjustment motor (kW) | 0.4 |
| Motor (kW) | 19 |
| Dimensions (mm) | 2010×1660×2950 |
| Total weight (ton) | 12.5 |
Crank Shaft Straight Side Press (45 ton), DDH-45T
Technical Specifications
| Press capacity (kN) | 600 |
| Stroke (mm) | 16 |
| Stroke speed | 100-750/100-750/100-650/100-550 strokes per minute |
| Shut height (mm) | 220-300 |
| Slide adjustment (mm) | 80 |
| Slide area (mm) | 1130×500 |
| Worktable area (bolster) (mm) | 1100×600 |
| Worktable thickness (mm) | 140 |
| Worktable opening (mm) | 800(upper)×700(lower)×100 |
| Bed opening (mm) | 840×120 |
| Motor (kW) | 22×4P |
| Upper die weight (kg) | max. 450 |
| Total weight (kg) | 14000 |
| Dimensions (mm) | 2840×3170×1540 |
Straight Side Knuckle Joint Press (80 ton), MARX-80T
Technical Specifications
| Press capacity (kN) | 800 |
| Stroke (mm) | 20/25/32/40 |
| Stroke speed | 120-600/120-500/120-500/120-450 strokes per minute |
| Shut height (mm) | 240-320 |
| Slide adjustment (mm) | 80 |
| Slide area (mm) | 1380×580 |
| Worktable area (bolster) (mm) | 1500×800 |
| Worktable thickness (mm) | 160 |
| Worktable opening (mm) | 1160(upper)×1160(lower)×120 |
| Bed opening (mm) | 1200×160 |
| Motor (kW) | 30×4P |
| Upper die weight (kg) | max. 50 |
| Total weight (kg) | 22000 |
| Dimensions (mm) | 3280×3380×1840 |
Straight Side Knuckle Joint Press (60 ton), MARX-60T
Technical Specifications
| Press capacity (kN) | 600 |
| Stroke (mm) | 20/25/32/40 |
| Stroke speed | 100-750/100-750/100-650/100-550 strokes per minute |
| Shut height (mm) | 220-300 |
| Slide adjustment (mm) | 80 |
| Slide area (mm) | 1130×500 |
| Worktable area (bolster) (mm) | 1100×600 |
| Worktable thickness (mm) | 140 |
| Worktable opening (mm) | 800(upper)×700(lower)×100 |
| Bed opening (mm) | 840×120 |
| Motor (kW) | 22×4P |
| Upper die weight (kg) | max. 450 |
| Total weight (kg) | 14000 |
| Dimensions (mm) | 2840×3170×1540 |
Straight Side Knuckle Joint Press (40 ton), MARX-40T
Technical Specifications
| Press capacity (kN) | 400 |
| Stroke (mm) | 16/20/25/30 |
| Stroke speed | 200-1250/200-1200/200-1050/200-900 strokes per minute |
| Shut height (mm) | 190-240 |
| Slide adjustment (mm) | 50 |
| Slide area (mm) | 600×300 |
| Worktable size (bolster) (mm) | 600×400 |
| Worktable thickness (mm) | 90 |
| Worktable opening (mm) | 400(upper)×350(lower)×60 |
| Bed opening (mm) | 400×100 |
| Motor (kW) | 11×4P |
| Upper die weight | max. 80kg |
| Total weight (kg) | 6500 |
| Dimensions (mm) | 1780×3075×1210 |
Straight Side Knuckle Joint Press (40 ton), MARX-40T
Technical Specifications
| Press capacity (kN) | 400 |
| Stroke (mm) | 16/20/25/30 |
| Stroke speed | 200-1250/200-1200/200-1050/200-900 strokes per minute |
| Shut height (mm) | 190-240 |
| Slide adjustment (mm) | 50 |
| Slide area (mm) | 600×300 |
| Worktable area (bolster) (mm) | 600×400 |
| Worktable thickness (mm) | 90 |
| Worktable opening (mm) | 400(upper)×350(lower)×60 |
| Bed opening (mm) | 400×100 |
| Motor (kW) | 11×4P |
| Upper die weight (kg) | max. 80 |
| Total weight (kg) | 6500 |
| Dimensions (mm) | 1780×3075×1210 |
Related Metal Stamping Presses






































